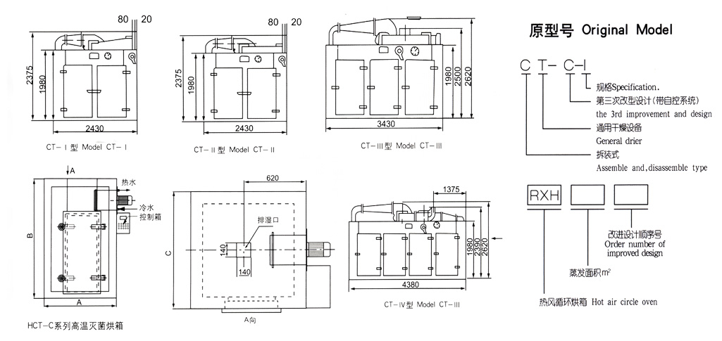
CT-C系列热风循环烘箱配用低噪音耐高温轴流风机和自动控温系统,整个循环系统全封,使烘箱的热效率从传统烘房的3-7%提高到目前的35-45%,最高热效率可达50%。CT-C型热风循环烘箱的设计成功,使我厂的热风循环烘箱达到了国内外先进水平,为我国节约了大量能源,提高了企业的经济效益。1990年国家医药管理局发行了行业标准,统一型号为RXH。
热风循环烘箱特点
1、大部分热风在箱内循环,热效率高,节约能源。
2、利用强制通风作用,箱内设有可调式分风板,物料干燥均匀。热源可采用蒸汽、热水、电、远红外,选择广泛。
3、整机噪音小,运转平稳。温度自控,安装维修方便。
4、适用范围广,可干燥各种物料,是通用的干燥设备。
应用范围
热风循环箱适用于制药、化工、食品、农副产品、水产品、轻工、重工等行业物料及产品的加热固化、干燥脱水。如原料药、中药、中药饮片、浸膏、粉剂、颗粒、冲剂、水丸、包装瓶、颜料、脱水蔬菜、瓜果干、瓜子、香肠、塑料树脂、电器原件、烘漆等。
热风循环箱主要技术参数及有关说明
一、加热热源蒸汽、远红外,电蒸汽两用,供用户选择。
二、使用温度:蒸汽加热50-60℃,最高150℃。
三、用电、远红外温度50~350℃。
四、备有自控系统和电脑控制系统供用户选择。
五、常用蒸汽压力0.2~0.8MPa(2~8kg).
六、配用电加热按1型计算15kw,实用5-8Kw/h.
七、特殊要求在订货时表明。
八、非标烘箱价格面议。
九、使用温度大于140℃或小于60℃,要在订货时注明。
十、烘车、烘盘尺寸统一,可以互换。
十一、烘盘尺寸:460×640×45.

热风循环烘箱主要技术参数
|
行业标准型号 |
|
每次干燥量 |
配用功率 |
耗用蒸汽 |
散热面积 |
风量 |
上下温差 |
配用烘盘 |
外形尺寸面 宽W×深度D×高H (mm) |
配套烘 |
设备重量 (kg) |
|
RXH-14-B |
CT-Ⅰ |
100 |
1.1 |
20 |
20 |
1400 |
±2 |
48 |
2430×1200×2375 |
2 |
1200 |
|
RXH-27-B |
CT-Ⅱ |
200 |
1.1 |
40 |
40 |
5200 |
±2 |
96 |
2430×2200×2375 |
4 |
1500 |
|
RXH-41-B |
CT-Ⅲ |
300 |
2.2 |
60 |
80 |
9800 |
±2 |
144 |
3430×2200×2620 |
6 |
2000 |
|
RXH-54-B |
CT-Ⅳ |
400 |
2.2 |
80 |
100 |
9800 |
±2 |
192 |
4380×2200×2620 |
8 |
2300 |
|
RXH-5-C |
CT-C-O |
25 |
0.45 |
5 |
5 |
3450 |
±2 |
8 |
1200×1000×1750 |
0 |
800 |
|
RXH-7-C |
CT-C-I A |
50 |
0.45 |
10 |
10 |
3450 |
±2 |
24 |
1400×1200×2000 |
1 |
1000 |
|
RXH-14-C |
CT-C-Ⅰ |
100 |
0.45 |
18 |
20 |
3450 |
±2 |
48 |
2300×1200×2000 |
2 |
1500 |
|
RXH-27-C |
CT-C-Ⅱ |
200 |
0.9 |
36 |
40 |
6900 |
±2 |
96 |
2300×2200×2000 |
4 |
1800 |
|
RXH-27A-C |
CT-C-ⅡA |
200 |
0.9 |
36 |
40 |
6900 |
±2 |
96 |
4460×1200×2290 |
4 |
1800 |
|
RXH-41-C |
CT-C-Ⅲ |
300 |
1.35 |
54 |
80 |
10350 |
±2 |
144 |
3300×2220×2000 |
6 |
2200 |
|
RXH-42A-C |
CT-C-Ⅲ A |
300 |
1.35 |
54 |
80 |
10350 |
±2 |
144 |
2300×3220×2000 |
6 |
2200 |
|
RXH-54-C |
CT-C-IV |
400 |
1.8 |
72 |
100 |
13800 |
±2 |
192 |
4460×2200×2290 |
8 |
2800 |
|
型号 MODEL |
A |
B |
C |
装机功率 |
使用温度 |
烘车 |
烘盘 |
烘盘尺寸 Size |
|
HCT-C-O |
1280 |
1850 |
1080 |
18(kw) |
~300℃ |
无 |
8只 |
700×800×45 |
|
HCT-C-IA |
1480 |
2160 |
1240 |
24(kw) |
~300℃ |
1辆 |
24只 |
640×460×45 |
注:材质有碳钢、铝合金、不锈钢;物料最终含水量(湿基)<1%






